《发酵替代蛋白产业报告》解读
“ 替代蛋白产业如火如荼,微生物发酵凭什么成为支柱技术?发酵替代蛋白的商业画卷美在何处? ”
发酵食品已经存在数千年。古人利用微生物发酵来保存食物,从酿酒、泡菜、发酵乳,到地域性食品,如纳豆、天培(印尼传统发酵食物)等,发酵食物不仅在营养价值和生物利用度上得到显著提高,也因其独特的风味口感而广受欢迎。
当前,替代蛋白成为全球最火热的食品创新领域。通常采用的技术路线包括植物蛋白调配、微生物发酵与细胞培养。其中最核心的技术就是发酵。
The Good Food Institute在今年9月发布了《发酵:替代蛋白产业支柱》的研究报告,深入剖析了全球替代蛋白领域的商业格局,技术进展,产品类型,法规考量及消费者态度。大量数据表明,自2013年以来,以发酵作为主要技术手段的替代蛋白制造商正在商业资本的扶持下快速成长。
本文从该报告中汲取大部分精华内容,带您全景式观察发酵替代蛋白产业的面貌与未来走向。
“粗钩、细织”皆相宜:替代蛋白的三种发酵模式
在替代蛋白工业中,通过发酵获取丰富的有机物——菌体蛋白及衍生成分(如风味物,酶和脂肪),由此组成替代蛋白的核心原料。通用的发酵技术一般分为三种类型:
1)传统发酵。使用天然来源的活性微生物作用于底物,使产品具有独特的风味和营养特性,并改变质地。例如,用根霉菌将大豆发酵成豆豉,用乳酸菌生产奶酪和酸奶。
2)生物质发酵。利用受控微生物的快速生长,生产大量蛋白质。发酵末期将微生物细胞破碎,得到蛋白质浓缩物和分离物。发酵产物可以直接用作食品的主要成分。
3)精密发酵。将微生物宿主作为“细胞工厂”,生产特定功能成分。发酵产物能直接改善终端产品的感官特性和功能属性,对其纯度要求更高,产量也更低。典型的商业化产品包括Perfect Day的人造乳蛋白,Clara Foods的合成鸡蛋白,Impossible Foods的血红素蛋白,以及酶、风味剂、天然色素和脂肪。
传统发酵、生物质发酵与精密发酵特征对比。图片来源:GFI
如今,人类正处于向非动物源食物生产系统过渡的初期。随着植物基肉、蛋、乳制品的普及,发酵类替代食品也将渗透进大众日常生活中。
菌丝体,微藻,微生物和发酵生产的植物蛋白可模拟动物制品的感官性状与营养特征,同时不含胆固醇,抗生素和生长激素等成分。此外,发酵蛋白的生产成本更低,生物效价更高。英国埃克塞特大学(Exeter University)于2019年进行的一项研究发现,运动员在剧烈运动后食用Quorn真菌蛋白,其“肌肉生长速度提高了两倍”。真菌蛋白比牛奶蛋白能更有效地促进肌肉生长。Mycoprotein的PDCAAS蛋白质的消化率得分高于碎牛肉,豌豆蛋白,昆虫蛋白和大豆蛋白。
图片来源:www.aocs.org
高生物效价的蛋白质不仅对人体健康更有益,对地球环境也更友好。在将卡路里转换为蛋白质和环境附加值(减少污染物和温室气体排放,并节省水和土地消耗)方面,微生物比牲畜更有效。微生物发酵可以消耗各种原料,它们通常是低成本的工业或农业废物。原料的多样化将促进本地化生产,减少运输费用。
资本推动下的一路高歌:全球发酵替代蛋白产业扫描
如今,全球范围内有数百家公司利用发酵技术创造出数千亿美元的年收入。随着消费者对替代蛋白的兴趣日益增长,许多企业开始将业务聚焦于替代蛋白生产,风险资本也随之加快投资步伐。
2013-2020年,全球在发酵生产替代蛋白领域的投资交易数量和额度。图片来源:GFI
2013年,TritonAlgae Innovations成为该领域内第一家获得风险投资的公司。至今年7月,全球共完成66笔风险投资,合计8.37亿美元。2019年,发酵公司所筹集的资金相当于所有细胞培养肉制品公司募集资金的3.5倍。尽管该数字仍不及植物基食品上的投资,但从最近3年的迅猛势头上看,不久的将来,发酵领域将成为汇聚风险资本最大的“资金池”。
2010-2020年,全球/美国在细胞培养肉、植物基食品和发酵替代蛋白等领域的投资额度。图片来源:GFI
在全球68家涉及生产植物基肉、蛋、奶的企业中,有44家将发酵替代蛋白质作为主营产品。其中,21家的技术路线为精密发酵,18家为生物质发酵,剩余5家为传统发酵。
创立于1985年的Quorn和2011年的ImpossibleFoods堪称这个领域的“长者”。他们在商业上的成功激发了一大批企业入局。2018年以后企业数量呈现爆发式的增长。大量初创公司将该领域企业的平均“年龄”拉低到仅有2岁。
2013-2020年,发酵蛋白领域成立的公司数量。图片来源:GFI
从地域分布上,美国一枝独秀,拥有近半数的发酵公司。欧洲各国紧随其后。以色列、印度、澳大利亚、新加坡和韩国5国领跑亚太地区。
全球68家发酵蛋白企业的地域分布。图片来源:GFI
从投资额TOP10企业列表中可以看出:除了1家在英国外,其余9家均在美国。这反映出美国完善而活跃的商业资本体系,以及对关乎人类未来生存命运的生物&食品技术的特别关注。
图片来源:Foodaily制图
下面对其中5家企业做一个简要介绍:
Perfect Day:全球第一家用微生物发酵技术生产牛奶蛋白(酪蛋白和乳清蛋白)的公司。2018年末,Perfect Day与ADM签署联合开发协议,将发酵牛乳蛋白原料商业化。2020年初,Perfect Day与旧金山冰淇淋生产商Smitten合作,在当地销售使用发酵牛乳蛋白的冰淇淋。同年,Perfect Day创立子公司The Urgent,旗下品牌Brave Robot专营人造乳蛋白冰淇淋。
Brave Robot人造乳蛋白冰淇淋。图片来源:GFI
MycoTechnology:该公司的首个产品ClearTaste™来源于真菌菌丝体培养物,可作为某些植物基食品中的苦味阻滞剂。为清洁标签产品的口感优化提供了一条途径。其第二款产品PureTaste™用香菇菌丝发酵豌豆和大米蛋白,从而赋予这种发酵产物浓郁的风味、更强的水油结合能力及高膨化力。全球最大的肉类公司JBS的子公司Planterra,就在使用PureTaste™生产Ozo品牌系列植物肉。
Motif FoodWorks:2019年2月,合成生物学领导者GinkgoBioworks斥资9000万美元创立Motif,旨在将Ginkgo的生物合成能力扩展到肉类,蛋类和奶类替代品中。Ginkgo负责菌株筛选与生物合成技术,Motif的任务是给出目标物质结构,并利用Ginkgo提供的发酵技术制造出产品和功能解决方案。Motif专注于风味物质(主要是脂肪类)的合成。他们与澳大利亚昆士兰大学建立合作伙伴关系,开发用于评估产品质地的高通量方法。新的自动筛选方法,加上Motif丰富的宿主菌株来源和蛋白质表达优化工具,使生物合成蛋白质和快速迭代成为可能,在开发生物合成蛋白的领域里保持足够的竞争力。
Clara Foods:全球第一家生物合成卵蛋白的公司。该公司用酵母生产的蛋清蛋白可作为烹饪和烘焙原料。2019年4月,Clara Foods与Ingredion建立开发和分销合作伙伴关系,推进发酵卵蛋白的商业化。
图片来源:twitter
3F Bio:该公司在发酵原料和生产流程上具有独到之处。他们使用与真菌蛋白公司Quorn相同的丝状真菌作为发酵剂,以生物乙醇(多采用小麦和玉米作为原料)生产中的残留物为底物,将这种低价值的生物质副产物转化为高质量的更可口的食品原料,用于制作各种肉类替代品。2019年7月,3F Bio与包括动物肉生产商Mosa Meats和植物肉品牌Vivera在内的近十二家企业建立合作伙伴关系,英国首座规模化的综合生物精炼厂开始运营。
罐子里的妙不可言:掌握替代蛋白发酵中的关键技术
尽管微生物发酵在食品和工业生物技术领域有着悠久的历史,但其蕴藏的巨大创新潜力仍有待开发。微生物物种的生物多样性,加上几乎无限制的生物合成能力,为发酵替代蛋白解决方案带来机遇。替代蛋白发酵技术包括五个关键领域:目标选择和设计,菌株开发,原料优化,生物工艺设计以及终产品提取。
发酵关键技术图释。图片来源:GFI
1、目标选择与设计
目标选择和设计的概念仅适用于精密发酵。人们感兴趣的分子称为靶标,包括蛋白质,脂质,风味化合物,香料,酶,生长因子,色素等。
采用精密发酵路线生产的第一种商业化产品是重组凝乳酶。凝乳酶常用于奶酪生产,以前多从犊牛胃中提取。如今,大多数奶酪企业已在使用这种精密发酵的产品。通过发酵,对酶进行改造,使其在特定加工条件下表现出更高的活性,新的底物特异性,更高的稳定性和耐用性,从而大幅度降低成本。
目标蛋白可以是通过基因工程改造而获得,也可以是微生物菌株体内天然存在的成分。例如,Impossible Foods添加到植物汉堡中的大豆血红蛋白,就是将大豆蛋白基因导入宿主酵母体内,高效合成得到的。而Triton Algae Innovations所研究的血红素蛋白则是藻类细胞中天然存在的物质。
在Impossible Foods开发的植物汉堡中,来自大豆的血红素是决定产品商业化的关键成分。图片来源:enewsdispatch
微生物发酵能够消除底物和靶向物的偶联关系,从而生产出具有独特功能的生物分子。以胶原蛋白生产为例,传统的动物明胶仅限于少量几个物种(主要是猪、牛、鱼),而美国胶原蛋白制造商Geltor利用微生物发酵可以从任何物种中(包括已灭绝的物种)合成胶原蛋白。2018年,Geltor开发出由水母胶原蛋白制成的人造书皮和由乳齿象(已经灭绝)胶原蛋白制成的橡皮糖零食。
2、菌株开发
在发酵领域的全部技术研究中,菌株开发占据了总成本中相当大的一部分。使用高通量筛选能够加快菌株研究迭代速度。高通量筛选和表征工具的出现也让人们开始重新考虑所有已知微生物的潜在适用性。
英国Quorn公司最成功的商业化案例——用丝状镰刀菌(Fusarium venenatum)发酵出高纤维、低饱和脂肪的优质蛋白,正是利用了高通量筛选技术得以实现。目前,基于数万个微生物物种的基因组数据所获得的计算洞察力,可以为微生物蛋白生产提供全新的候选对象。

图片来源:thedailybeast
GFI建议应及时采纳跨物种代谢途径的系统生物学观点,用以帮助鉴定和设计具有理想属性的新型宿主微生物。这些属性包括继代稳定性,对多种原料的利用能力,理想的风味特征以及低核酸含量。
3、原料优化
无论从经济性上,还是可持续发展的角度,利用食品加工中的废弃物或副产物作为发酵原料,都是一个极有前景的选择。Nature's Fynd在黄石国家公园的温泉中分离出的极端嗜热性真菌,具有广泛的代谢灵活性,适用于多种原料。3F Bio和Mycorena(位于瑞典哥德堡的真菌发酵生产替代蛋白公司)也将自己定位为可持续原料使用的领导者。其他创业公司,像空气蛋白公司(Air Protein),利用气态原料,从氢气,甲烷或二氧化碳参与的化学反应中获取能量,合成生物质。
Air Protein空气蛋白生产模式图。图片来源:airprotein官网
通过采用全球公认的标准和开发新颖的蛋白质表征技术,发酵行业能够更为灵活地利用各种非常规原料。
不同类型发酵原料的适应性。图片来源:GFI
4、生物工艺设计
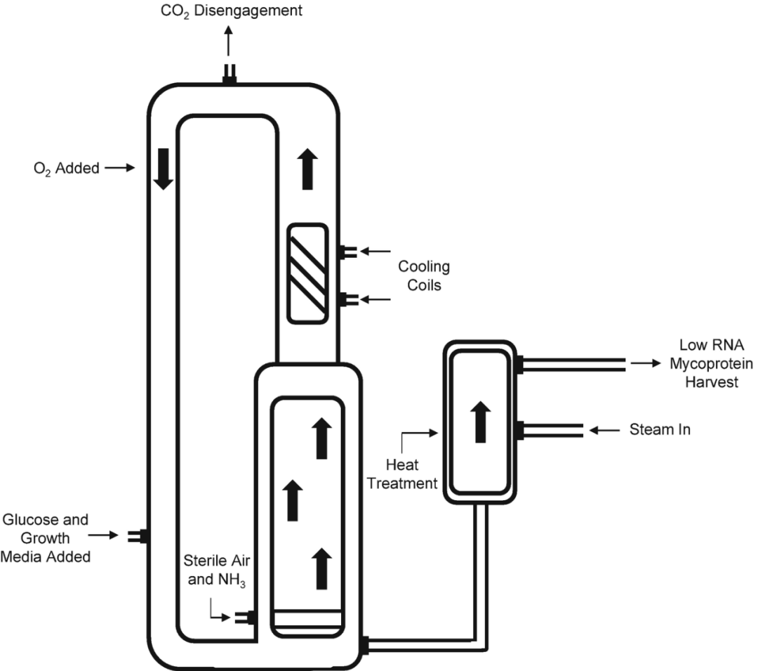
当前,生物工业中的绝大部分发酵设施都使用淹没式发酵罐,微生物细胞悬浮在液体培养基中。然而,替代蛋白产业所需的部分生物质的特殊结构和用途(例如整块肉块)却依赖于固态发酵体系。在这种生产模式中,将微生物接种到潮湿的固体原料上,进行厌氧或需氧发酵。固态发酵可以节省掉昂贵的不锈钢生物反应器,通过增加并行的小容积生产单元而非提高单元容积来提高产能,从而减轻了与规模化相关的技术风险和资金成本。
即使在液体深层发酵体系中,要考虑发酵规模、成本和可持续性,也需要采用不同于传统搅拌式发酵罐的设备。已经有数家企业开始使用新型生物反应器。Quorn率先使用一种“气提发酵”式生物反应器。与传统生物反应器相比,它所需的能源更少,容量更大,非常适合丝状真菌,发酵液的粘度得到提高。使用气态原料合成动物饲料的一些公司(如利用嗜甲烷细菌生产蛋白的Unibio和Calysta)通常采用类似的工艺,将原料气体充入封闭体系中,无需搅拌叶轮。
图片来源:springer
5、终产品提取
对于发酵产物,一般需要后处理步骤才能使终产品具有所需要的结构和质地。例如,Quorn将纤细的菌丝纤维冻结结成更耐用,更齐整的纤维束,类似于动物肌肉纤维。
此外,通过添加调味剂,脂肪,粘合剂,酶,功能性成分等,获得与动物制品相近的感官和营养特性。
6、未来技术展望
在传统发酵和生物质发酵体系中,已经有很多成熟的商业化产品表现出良好的可扩展性和低成本。它们将成为在中低收入国家推广发酵技术的有利因素。对于精密发酵,该如何推进其商业化呢?
1)扩大规模。在发酵产业中,规模化回报令人印象深刻。不同商业纯化蛋白的每公斤成本可能相差九个数量级。一些常见酶制剂的成本约为10美元/kg,而一些特殊蛋白(如治疗剂中的特殊蛋白)则可能高达近100亿美元/kg。即使来自相同宿主,成本也可能相差7个数量级!
2)提高单位体积生产率。对于全细胞生物质,这个数字仅反映生长速率和最大细胞密度。对于精密发酵生产,该数字还包含了生物效价。
3)延长连续生产能力。在发酵峰值时段将运行时间尽量稳态延长,即可以高效率地收获发酵产物。
4)降低纯度要求。只要宿主微生物具有必要的食品安全性,不会对终产品的风味或质地产生负面影响,则一般性的纯度足矣。纯化过程往往占合成蛋白总生产成本的很大一部分,放宽纯化要求将大大降低成本。
图片来源:eater
就是要占满你的餐盘:无处不在的发酵替代食品
如果将数千年来利用传统发酵方法制作各类食物,称之为对微生物的“第一次驯化”。那么,进入21世纪以来,全球掀起的发酵生产各种替代食品的浪潮,则堪称“第二次驯化”。与第一次驯化相比,此次驯化无疑进程更快,更加精确。参与驯化的不仅有生物科学家、营养学家和食品工程师,也有立志解决人类未来食物危机,并从中开辟商业蓝海的商人与投资家。
与人类通常食用的几十种动物、数百种植物食材相比,微生物发酵为人类食物提供了几乎无限的可能。当前,微生物发酵原料已经应用于碎肉,全切肉,鸡蛋,牛奶,奶酪,明胶,海鲜,脂肪,油脂,宠物食品等各类食品中。
1、碎肉
这种半结构化食材可以通过传统,生物质和精密发酵三种路线进行。Quorn是第一家使用生物质发酵技术生产碎肉的公司。产品形式包括肉饼,香肠,肉末(仿牛肉,仿鸡肉和仿猪肉)。
2020年6月,来自瑞典的生物发酵公司Mycorena在当地推出用霉菌发酵蛋白制成的肉丸。以色列的几家公司则使用酵母发酵蛋白。
图片来源:impossiblefoods
2、全切肉
全球1.7万亿美元肉类市场中,全切肉制品利润最高。多年来,合成植物肉制品(如香肠、肉块和肉饼)一直依靠低水分活度挤压工艺。如今,双螺杆高水分活度挤压工艺可以实现与动物肉质构的高度相似。过去一年,相关企业对不同原料和挤压设备进行了大量研究,为市场带来更令消费者满意的植物肉。
Meati使用深层发酵技术生产全切牛排和鸡肉产品。菌丝体发酵蛋白公司Atlast Food Co.使用固态发酵工艺生产全切培根肉。Prime Roots则用丝状真菌米曲霉(Aspergillus oryzae)发酵生产培根。据称,数千袋软包装人造培根在数小时内售罄。
图片来源:forbes
3、蛋制品
除了Clara Foods用酵母生产蛋清蛋白外,Fumi Ingredients同样开发出可作为起泡剂,热固性凝胶和乳化剂的蛋清替代品。Noblegen于2020年初推出用自家蛋粉制成的 “全鸡蛋”。
图片来源:www.proteinreport.org
4、乳制品
乳制品是最被看好的微生物发酵应用领域。大多数植物基奶酪公司,如Treeline和Miyoko's,均采用发酵坚果和植物油脂的工艺。而像New Culture,Change Foods, Cultivated和 Legen Dairy等企业,则以发酵合成乳蛋白和乳脂肪,推动植物乳制品的新一轮革命。
5、明胶
大多数的合成胶原蛋白被用于医学组织工程和美容护肤领域。Geltor是该领域致力于食品应用的标杆性企业。
图片来源:Geltor
6、海鲜食品
海鲜是替代蛋白涉足最少的品类。微藻发酵可能是推动替代海鲜普及的关键。Quorn推出的Fishless Fingers是当前唯一进入市场的发酵合成海鲜产品。Odontella用海藻和微藻作为底物,合成出鲑鱼替代物,但尚未完成商品化。
图片来源:英国亚马逊
2020年7月,3F Bio推出用真菌发酵蛋白制成的金枪鱼排,鱼排用3D打印机制成。此外,Gardein推出的植物鱼、植物蟹饼;Good Catch开发的植物基金枪鱼等产品中添加了微藻发酵制成的ω-3油脂。
3F Bio推出的3D打印真菌合成金枪鱼排。图片来源:linkedin
7、脂肪
脂肪是食用肉,蛋和乳制品时感官体验的关键因素。由于全球动物油脂供应有限,以及棕榈树对环境的影响,人们对发酵生产动物脂肪替代物的兴趣日益增加。微藻是最常采用的发酵底物。Algarithm、DSM、iWi和Corbion等公司都开发出用微藻合成的替代脂肪。C16 Biosciences和Nourish Ingredients使用能够改变脂质合成路径的微生物生产饱和脂肪。PerfectDay和Motif FoodWorks今年也相继开发用于植物基乳制品和肉制品的替代脂肪产品。
8、宠物食品
2019年,全球宠物食品市场规模近千亿美元。为宠物们开发高蛋白植物基食品有着巨大的商业价值。
2018年,WildEarth推出酒曲发酵生产的狗零食,2019年推出酵母发酵高蛋白狗粮。Bond宠物食品公司致力于开发微生物发酵的动物增肌蛋白。2020年3月,该公司推出一款由新型酵母菌株生产的高蛋白狗零食。
图片来源:GFI
微生物发酵替代食品正在不断丰富着人类食谱。奶酪、冰淇淋、蛋白棒、蛋白水……不久的将来,在餐桌上寻找真正的肉制品或乳制品将成为新的困惑。
未来无限
全球绝大多数的动物食品产自集约化的畜牧生产系统,与发酵相比,这种系统的生产效率相当低。根据世界资源研究所(World Resources Institute)的数据,生产1卡路里鸡肉要消耗掉9卡路里大豆,小麦和玉米。其他动物将农作物转化为肉的效率则更低。GFI曾指出:如果没有替代蛋白,到2050年,地球将无法养活全球近100亿人口。
除了最直接的粮食安全隐患外,碳排放和食品安全也是促使植物基产业蓬勃兴旺的因素。
通过传统发酵,生物质发酵和精密发酵,如今,一批生物科技企业用极具创新性的技术和产品不断带给人们直面未来的信心。对于发酵替代蛋白,乃至所有的替代食物,已不能仅仅视为一种高附加值的食材,它对于改变人类的饮食习惯、改善环境和社会风尚,推动商业致力于提升人类福祉,都有着积极深远的意义。
1万亿种微生物×数千种可食用植物(发酵底物),天文数字背后的商业空间,才是令所有人为之神往的地方。
封面图来源:foodnavigato
(作者:Foodaily每日食品 )
声明:本文由21财经客户端“南财号”平台入驻机构(自媒体)发布,不代表21财经客户端的观点和立场。
